加微信聯系
[HTML]
[XML]
産品展示
新聞中心
技術支持
網站首頁
公司介紹
産品展示
行業資訊
技術支持
樣本下載
産品應用
在線訂購
在線留言
聯系我們
産品分類:
減速機
┊
蝸輪絲杆升降機
┊
轉向箱
┊
蝸輪蝸杆減速機
┊
齒輪減速機
┊
行星齒輪減速機
┊
擺線針輪減速機
┊
無級變速機
┊
大功率減速器
┊
當前位置:
網站首頁
>
R系列斜齒輪硬齒面減速機
>
R系列輸入功率及許用轉矩,減速機重量表,結構示意圖
R系列輸入功率及許用轉矩,減速機重量表,結構示意圖 - R系列斜齒輪硬齒面減速機
快速切換 選型參數及尺寸參數
→
--選型參數及尺寸參數--
1 - R系列減速機的設計方案
2 - R系列減速機型号表示方法, 安裝形式,接線盒位置
3 - R系列輸入功率及許用轉矩,減速機(jī)重量表,結構(gòu)示意圖
4 - R系列減速機的潤滑油量表
5 - R系列減速機選型參數表-0.18KW
6 - R系列減速機選型參數表-0.25KW
7 - R系列減速機選型參數表-0.37KW
8 - R系列減速機選型參數表-0.55KW
9 - R系列減速機選型參數表-0.75KW
10 - R系列減速機選型參數表-1.1KW
11 - R系列減速機選型參數表-1.5KW
12 - R系列減速機選型參數表-2.2KW
13 - R系列減速機選型參數表-3/4KW
14 - R系列減速機選型參數表-5.5/7.5KW
15 - R系列減速機選型參數表-11KW
16 - R系列減速機選型參數表-15KW
17 - R系列減速機選型參數表-18.5KW
18 - R系列減速機選型參數表-22/30KW
19 - R系列減速機選型參數表-37/45KW
20 - R系列減速機選型參數表-55/75/90KW
21 - R系列減速機選型參數表-110/132/160KW
22 - 按扭矩選130 200 300 450 600 820 1550 3000N.m
23 - 按扭矩選4300 8000 13000 18000N.m
24 - RX37 RXF37 RXS37外形安裝尺寸圖(輸出軸徑20)
25 - RX57 RXF57 RXS57外形安裝尺寸圖(輸出軸徑20)
26 - RX67 RXF67 RXS67外形安裝尺寸圖(輸出軸徑25)
27 - RX77 RXF77 RXS77外形安裝尺寸圖(輸出軸徑30)
28 - RX87 RXF87 RXS87外形安裝尺寸圖(輸出軸徑40)
29 - RX97 RXF97 RXS97外形安裝尺寸圖(輸出軸徑50)
30 - RX107 RXF107 RXS107外形安裝尺寸圖(輸出軸徑60)
31 - RX127/157 RXF127/157 RXS127/157外形安裝尺寸圖(輸出軸徑75/90)
32 - R17 RF17外形安裝尺寸圖(輸出軸徑20)
33 - R27 RF27 RS27外形安裝尺寸圖(輸出軸徑25)
34 - R37 RF37 RS37外形安裝尺寸圖(輸出軸徑25)
35 - R47 RF47 RS47外形安裝尺寸圖(輸出軸徑30)
36 - R57 RF57 RS57外形安裝尺寸圖(輸出軸徑35)
37 - R67 RF67 RS67外形安裝尺寸圖(輸出軸徑35)
38 - R77 RF77 RS77外形安裝尺寸圖(輸出軸徑40)
39 - R87 RF87 RS87外形安裝尺寸圖(輸出軸徑50)
40 - R97 RF97 RS97外形安裝尺寸圖(輸出軸徑60)
41 - R107 RF107 RS107外形安裝尺寸圖(輸出軸徑70)
42 - R137 RF137 RS137外形安裝尺寸圖(輸出軸徑90)
43 - R147 RF147 RS147外形安裝尺寸圖(輸出軸徑110)
44 - R167 RF167 RS167外形安裝尺寸圖(輸出軸徑120)
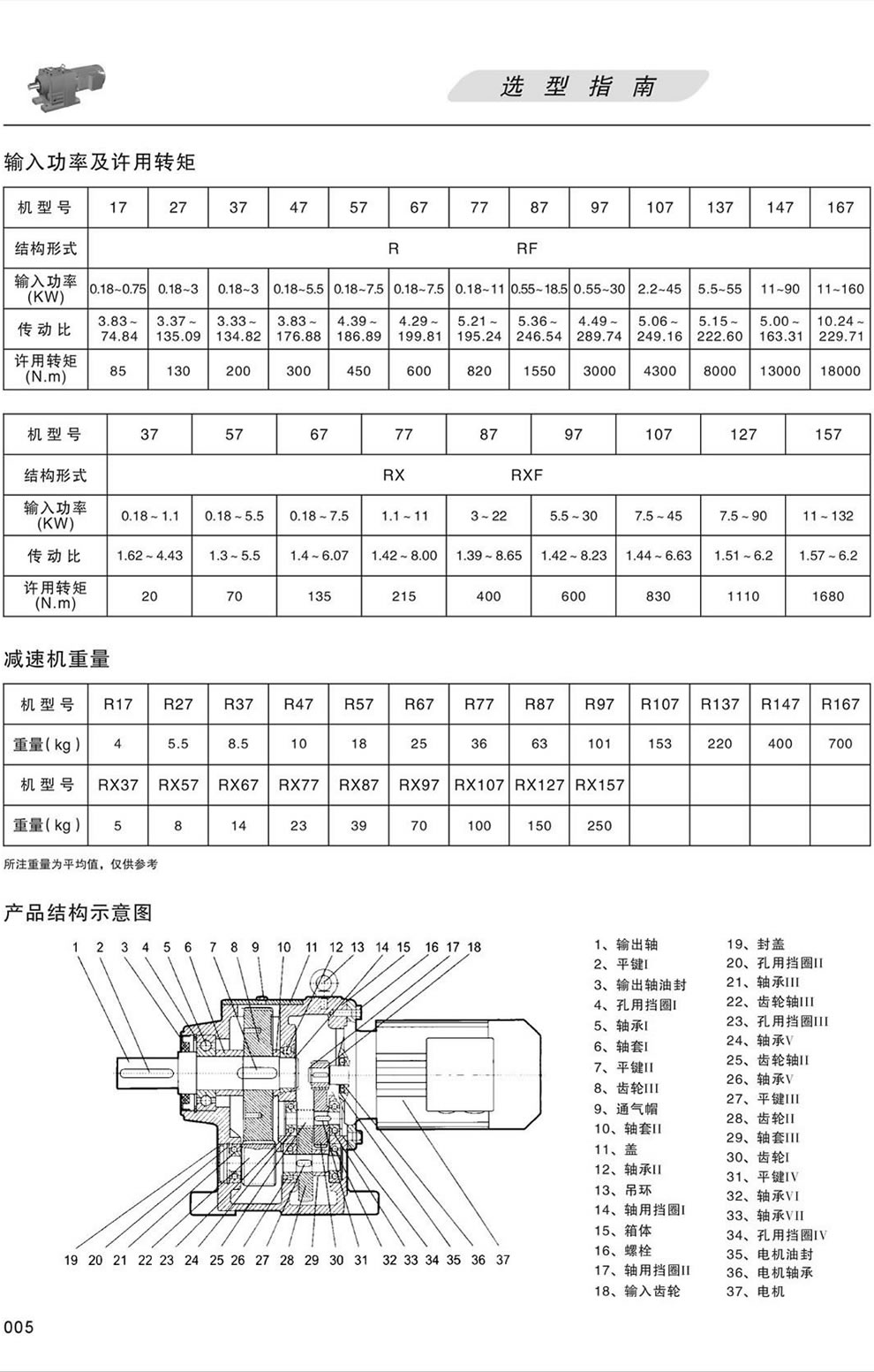
R系列輸入功率及許用轉矩:最小功率0.18KW,最大功率160KW,最小速比3.83,最大速比229.71,最小轉矩85N.m,最大轉矩18000N.m,減速機重量表R17:4KG;R27:5.5KG;R37:8.5KG;R47:10KG;R57:18KG;R67:25KG;R77:36KG;R87:63KG;R97:101KG;R107:153KG;R137:220KG;R147:400KG;R167:700KG,..RX37:5KG;RX57:8KG;RX67:14KG;RX77:23KG;RX87:39KG;RX97:70KG;RX107:100KG;RX127:150KG;RX157:250KG;結構示意圖
【
關閉本頁
】 【
打印本頁
】
上一篇:
R系列減速機型号表示方法, 安裝形式,接線盒位置
下一篇:
R系列減速機的潤滑油量表
R系列斜齒輪硬齒面減速機 詳細選型參數及尺寸參數:
1 - R系列減速機的設計方案
2 - R系列減速機型号表示方法, 安裝形式,接線盒位置
3 - R系列輸入功率及許用轉矩,減速機(jī)重量表,結構(gòu)示意圖
4 - R系列減速機的潤滑油量表
5 - R系列減速機選型參數表-0.18KW
6 - R系列減速機選型參數表-0.25KW
7 - R系列減速機選型參數表-0.37KW
8 - R系列減速機選型參數表-0.55KW
9 - R系列減速機選型參數表-0.75KW
10 - R系列減速機選型參數表-1.1KW
11 - R系列減速機選型參數表-1.5KW
12 - R系列減速機選型參數表-2.2KW
13 - R系列減速機選型參數表-3/4KW
14 - R系列減速機選型參數表-5.5/7.5KW
15 - R系列減速機選型參數表-11KW
16 - R系列減速機選型參數表-15KW
17 - R系列減速機選型參數表-18.5KW
18 - R系列減速機選型參數表-22/30KW
19 - R系列減速機選型參數表-37/45KW
20 - R系列減速機選型參數表-55/75/90KW
21 - R系列減速機選型參數表-110/132/160KW
22 - 按扭矩選130 200 300 450 600 820 1550 3000N.m
23 - 按扭矩選4300 8000 13000 18000N.m
24 - RX37 RXF37 RXS37外形安裝尺寸圖(輸出軸徑20)
25 - RX57 RXF57 RXS57外形安裝尺寸圖(輸出軸徑20)
26 - RX67 RXF67 RXS67外形安裝尺寸圖(輸出軸徑25)
27 - RX77 RXF77 RXS77外形安裝尺寸圖(輸出軸徑30)
28 - RX87 RXF87 RXS87外形安裝尺寸圖(輸出軸徑40)
29 - RX97 RXF97 RXS97外形安裝尺寸圖(輸出軸徑50)
30 - RX107 RXF107 RXS107外形安裝尺寸圖(輸出軸徑60)
31 - RX127/157 RXF127/157 RXS127/157外形安裝尺寸圖(輸出軸徑75/90)
32 - R17 RF17外形安裝尺寸圖(輸出軸徑20)
33 - R27 RF27 RS27外形安裝尺寸圖(輸出軸徑25)
34 - R37 RF37 RS37外形安裝尺寸圖(輸出軸徑25)
35 - R47 RF47 RS47外形安裝尺寸圖(輸出軸徑30)
36 - R57 RF57 RS57外形安裝尺寸圖(輸出軸徑35)
37 - R67 RF67 RS67外形安裝尺寸圖(輸出軸徑35)
38 - R77 RF77 RS77外形安裝尺寸圖(輸出軸徑40)
39 - R87 RF87 RS87外形安裝尺寸圖(輸出軸徑50)
40 - R97 RF97 RS97外形安裝尺寸圖(輸出軸徑60)
41 - R107 RF107 RS107外形安裝尺寸圖(輸出軸徑70)
42 - R137 RF137 RS137外形安裝尺寸圖(輸出軸徑90)
43 - R147 RF147 RS147外形安裝尺寸圖(輸出軸徑110)
44 - R167 RF167 RS167外形安裝尺寸圖(輸出軸徑120)
電 話:021-22815912 021-22816186 傳 真:021-32050712 郵箱:sales@021jsj.cn
減速機
絲杆升降機
轉向箱
蝸輪蝸杆減速機
Copyright
©
2009-2026
上海恒點傳動設備有限公司
版權所有 地址:上海市金山區亭林鎮林寶路39号 郵編:200442
滬ICP備10206998号-2
友情鏈接
:
機械設備網
|
渦街流量計
|
輸送機
|
變頻控制櫃
|
破碎機
|
工業同城
|
手持終端
|
柴油發電機
|
uv平闆打印機
|
風淋室
|
QUV
|
防火門
|
九愛圖紙
|
感應加熱設備
|
輸送帶廠家
|
噪聲治理
|
西門子plc
|
拖鏈電纜
|
AGV
|
機械雜志
|
現代機械
|
UWB高精度定位
|
×
手機用戶請長(zhǎng)按添加到“照片”,然後(hòu)打開微信掃一掃選擇二維碼。